Published:2011/8/15 2:05:00 Author:Ecco | Keyword: Production volume , automatic counter | From:SeekIC

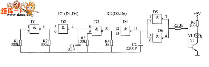
Infrared transmitter circuit is composed of the capacitance feedback oscillator circuit, 40kHz pulse oscillator and driver circuit, and it is shown as the chart. Capacitance feedback oscillator circuit consists of D1 and D2 which are inside of NAND gate integrated circuit IC1 (D1 ~ D4) and the internal resistors R1 and R2, capacitor C1. 40kHz pulse oscillator circuit consists of IC1's internal D3 and D4 and resistors R3 and R4, capacitor C2. Driver circuit consists of NAND gate integrated circuit IC2 (D5, D6), resistors R5 and R6, transistor V1 and infrared light-emitting diode VL1.
Reprinted Url Of This Article:
http://www.seekic.com/circuit_diagram/Electrical_Equipment_Circuit/Production_volume_automatic_counter_circuit_diagram_1.html
Print this Page | Comments | Reading(3)
Code: