Published:2011/8/15 2:08:00 Author:Ecco | Keyword: Production volume, automatic counter | From:SeekIC

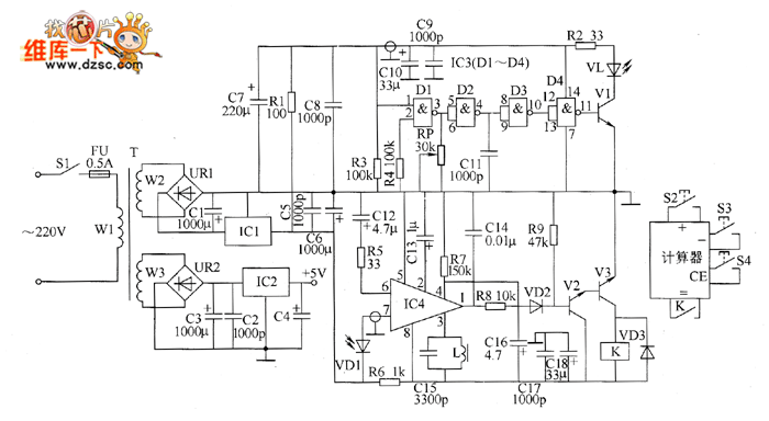
The production volume automatic counter circuit is composed of the power supply circuit, infrared transmitter circuit, infrared receiver amplifier circuit, control implementation circuit and counter control circuit, and it is shown as teh chart. Power supply circuit is composed of the power switch S1, fuse FU, power transformer T, bridge rectifiers UR1 and UR2, three-terminal voltage regulator integrated circuits IC1 and IC2, capacitors C1 ~ C8 and resistor R1. Infrared transmitter circuit consists of NAND gate integrated circuit IC3 (D1 ~ D4), transistor V1, infrared light-emitting diode VL, resistors R2 ~ M, capacitors C9 ~ C11 and potentiometer RP.
Reprinted Url Of This Article:
http://www.seekic.com/circuit_diagram/Electrical_Equipment_Circuit/Production_volume_automatic_counter_circuit_diagram_2.html
Print this Page | Comments | Reading(3)
Code: