Published:2009/7/25 3:23:00 Author:Jessie | From:SeekIC

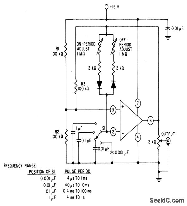
This circuit provides independent control of both On and Off periods, as well as the pulse period.
Reprinted Url Of This Article:
http://www.seekic.com/circuit_diagram/Electrical_Equipment_Circuit/Pulse_generator_astable_multivibrator.html
Print this Page | Comments | Reading(3)
Code: