Published:2011/12/7 1:57:00 Author:Ecco | Keyword: rechargeable shaver | From:SeekIC

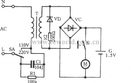
RSCW-102razor is suitable for AC , DC , and it has a charging function , and it isshown inthe circuit .
Reprinted Url Of This Article:
http://www.seekic.com/circuit_diagram/Electrical_Equipment_Circuit/RSCW_102_rechargeable_shaver_circuit.html
Print this Page | Comments | Reading(3)
Code: