Published:2011/8/7 21:43:00 Author:Ecco | Keyword: Recordable electronic doorbell | From:SeekIC

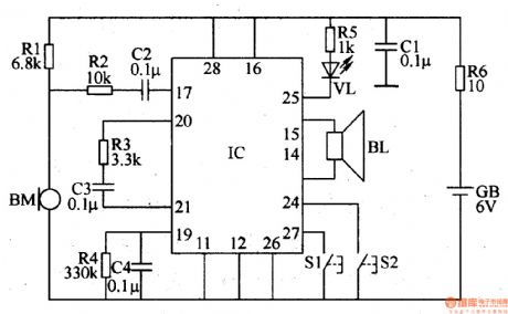
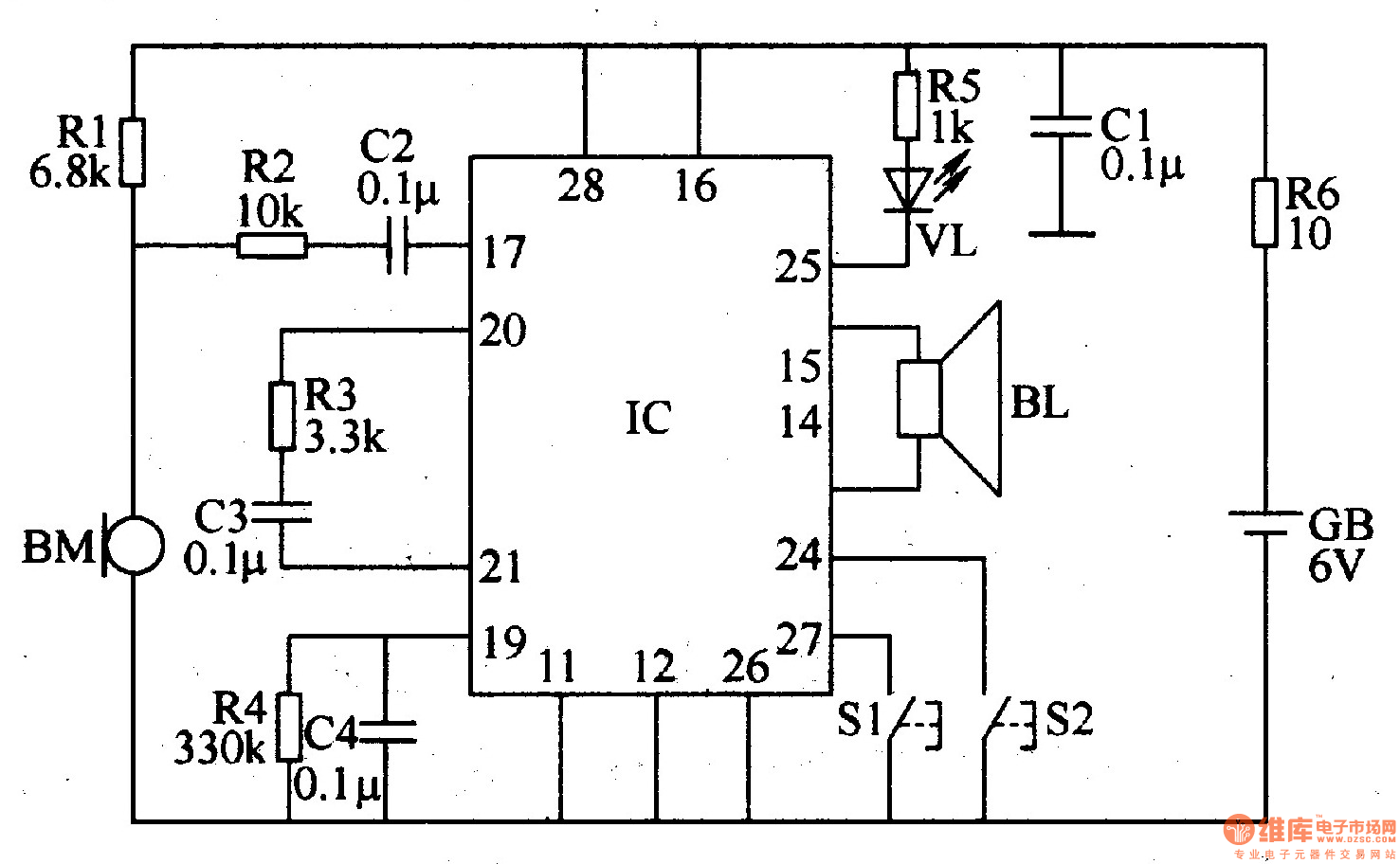
The recordable electronic doorbell is composed of the recording and playback integrated circuit IC, resistors Rl-R6, capacitors Cl-C4, microphone BM, speaker BL, control buttons Sl, S2, battery GB and LED VL, and it is shown in Figure 3-123. Rl-RS select 1/4W metal film resistors or carbon film resistors; R6 select the lW metal film resistor. Cl-C4 select monolithic capacitors. VL chooses the φ3mm green light-emitting diode. IC uses the SR9GlOA or ISDll10 audio recording and playback IC. S1 select the miniature moving together button; S2 uses the bell button. BL uses the 0.25W, 8Ω dynamic speaker.
Reprinted Url Of This Article:
http://www.seekic.com/circuit_diagram/Electrical_Equipment_Circuit/Recordable_electronic_doorbell.html
Print this Page | Comments | Reading(3)
Code: