Published:2009/7/24 7:16:00 Author:Jessie | From:SeekIC

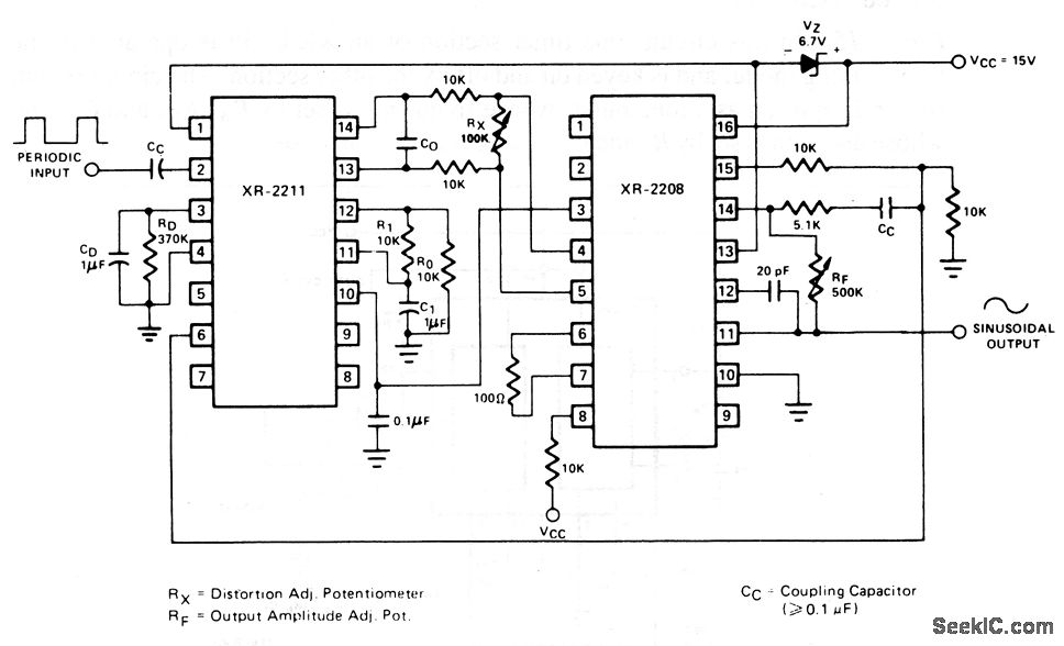
This circuit uses an XR-2211 PLL and an XR-2208 multiplier to form a universal sine-wave converter. The circuit converts any periodic input-signal waveform to a low-distortion sine-wave, the frequency of which is identical to the repetition rate of the input signal. The center frequency, fO, is determined by the values of CO and RO. With RO at 10 kΩ, as shown, the value of CO is determined by: CO(inμF)=100/fO in Hz. Notice that the XR-2211 VCO might not oscillate if RO is greater than 10 kΩ. The distortion and amplitude of the sine-wave output is adjusted by RX, and RF, as shown. EXAR Corporation Databook, 1990, p. 5-312.
Reprinted Url Of This Article:
http://www.seekic.com/circuit_diagram/Electrical_Equipment_Circuit/Regenerative_sine_wave_converter.html
Print this Page | Comments | Reading(3)
Code: