Published:2009/7/20 21:57:00 Author:Jessie | From:SeekIC

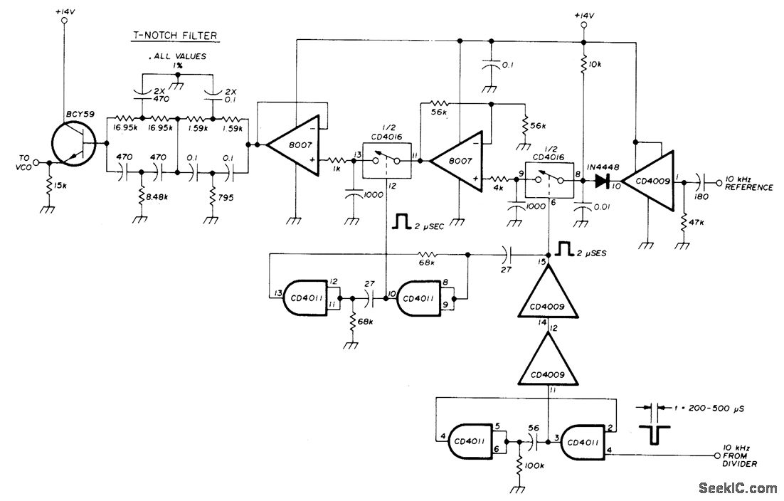
Uses CMOS ICs and CMOS switches to minimize RF noise. Input from 10-kHz reference divider triggers CD4009 gate, and combination of diode and RC circuit produces sawtooth waveform having fast charge and slow discharge. Since input signal pulse may be too narrow, it is widened to 2μs by two-gate mono MVBR for controlling first CD4016 switch. Signal passed from first switch through 8007 opamp to second CD4016 switch is delayed by input of second switch to suppress unwanted spikes, so clean signal is fed through second 8007 opamp to T-notch filter having 10-kHz reference frequency for one leg and 20 kHz for other Ieg. Notch depth can be 60 dB. Filter drives VCO of frequency synthesizer through BCY59 emitter-follower transistor.-U. L. Rohde, Modem Design of Frequency Synthesizers, Ham Radio, July 1976, p10-23.
Reprinted Url Of This Article:
http://www.seekic.com/circuit_diagram/Electrical_Equipment_Circuit/SAMPLE_HOLD_DISCRIMINATOR.html
Print this Page | Comments | Reading(3)
Code: