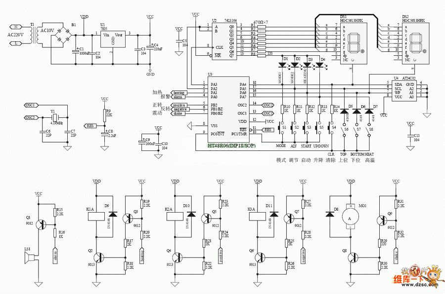
Published:2011/3/30 22:09:00 Author:Ecco | Keyword: SCM controlling fryer | From:SeekIC

Second order resonance circuit diagram is as below:
Reprinted Url Of This Article:
http://www.seekic.com/circuit_diagram/Electrical_Equipment_Circuit/SCM_controlling_fryer_circuit_diagram.html
Print this Page | Comments | Reading(3)
Code: