Published:2009/7/14 8:11:00 Author:May | From:SeekIC

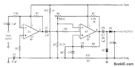
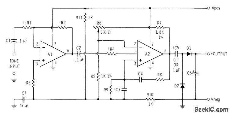
Used at receiving end of leased telephone line in which single tone frequency serves for alarm and other purposes. A1 is 741 opamp connected as inverting amplifier, with R1 and R3 chosen to match input impedance and R2 chosen to give gain required for available input signal level. For 10K input impedance, R1 and R3 are 10K and R2 in kilohms is 10 times required gain (500K for gain of 50). Actual tone decoding is performed by A2, which is also 741; here C3, C4, R8, and R9 are frequency-determining components and R6 is gain control. R4 is chosen to give desired bandwidth ; use 470K for 5-10%, 1 meg ohm for 3-5%, and 2.2 meg ohms for 1-3%. R8 is same as R2, and R9 equals R3. Diodes are 1N914.-C. D. Rakes, Integrated Circuit Projects, Howard W. Sams, Indianapolis, IN, 1975, p 60-66.
Reprinted Url Of This Article:
http://www.seekic.com/circuit_diagram/Electrical_Equipment_Circuit/SINGLE_TONE_DECODER.html
Print this Page | Comments | Reading(3)
Code: