Published:2009/7/13 3:42:00 Author:May | From:SeekIC

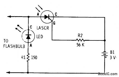
Remote fiashtube having no connection with camera is fired by light-activated SCR (LASCR) when triggered by main fiash of camera. Used to provide illumination at greater depth than main flash range, to soften sharp shadows, and to provide backlighting for fiash photographs. LED is indicator showing that circuit has been triggered, reminding photographer that new flash lamp should be inserted.-F.M. Mims, Transistor Projects, Vol.1, Radio Shack, Fort Worth, TX, 1977, 2nd Ed., p79-85.
Reprinted Url Of This Article:
http://www.seekic.com/circuit_diagram/Electrical_Equipment_Circuit/SLAVE_FLASH.html
Print this Page | Comments | Reading(3)
Code: