Published:2009/7/24 3:43:00 Author:Jessie | From:SeekIC

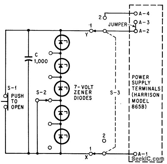
Large electrolytic capacitor and five zener diodes connected across standard transistor-regulated power supply give sweep voltage that increases 2 V per second, for classroom demonstrations.-M. H. Crothers, Added Capacitor Sweeps Power Supply, Electronics, 37:17, p 62.
Reprinted Url Of This Article:
http://www.seekic.com/circuit_diagram/Electrical_Equipment_Circuit/SLOW_SWEEP.html
Print this Page | Comments | Reading(3)
Code: