Published:2009/7/23 23:54:00 Author:Jessie | From:SeekIC

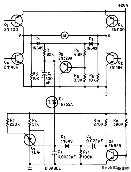
Silicon controlled switch Q7 in timing circuit turns on each time servo motor is actuated, and re moves power from motor if it remains on more than 15 sec, indicating a stall.-D. Perlman, Silicon Switch Turns Off Stalled Servo-motors, Electronics, 39:10, p 90-91.
Reprinted Url Of This Article:
http://www.seekic.com/circuit_diagram/Electrical_Equipment_Circuit/STALLED_SERVO_MOTOR_SHUTOFF.html
Print this Page | Comments | Reading(3)
Code: