Published:2009/6/18 23:40:00 Author:May | From:SeekIC

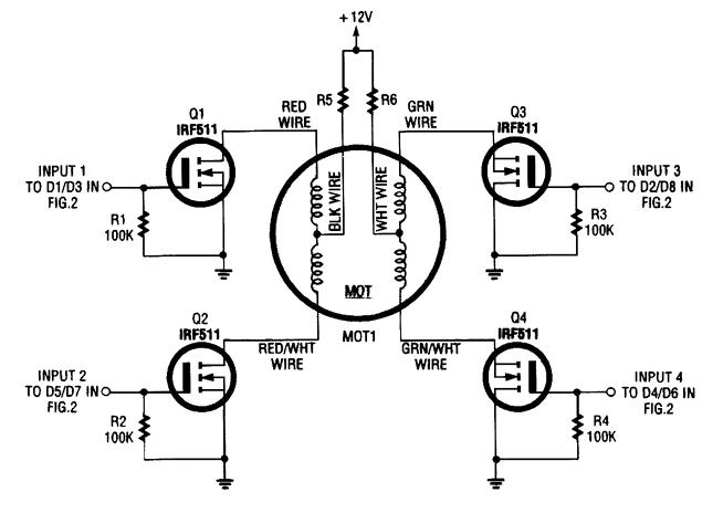
This motor-driver circuit replaces the eight bipolar transistors of the previous circuit with four IFR511 power hexFET's (Q1 through Q4).
Reprinted Url Of This Article:
http://www.seekic.com/circuit_diagram/Electrical_Equipment_Circuit/STEPPER_MOTOR_CIRCUIT_WITH_FET_DRIVERS.html
Print this Page | Comments | Reading(3)
Code: