Published:2011/7/26 3:11:00 Author:Ecco | Keyword: Scale cleaner | From:SeekIC

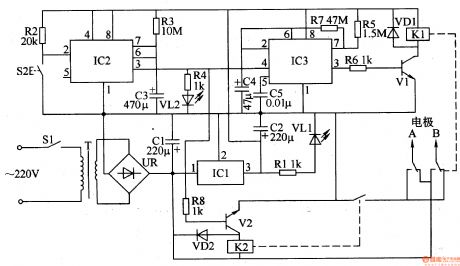
The scale cleaner circuit is composed of the power circuit, timer, multivibrator and control implementation circuit, and it is shown in Figure 3-211. Power supply circuit is composed of the power transformer T, bridge rectifier UR, filter capacitors Cl, C2, three-terminal integrated voltage regulator ICl, current limiting resistor Rl and power indicator LED VLl. The timer is composed of the time-base timer circuit IC IC2, start button S2, resistors R2, R3, capacitor C3, current limiting resistor R4 and LED VL2 and so on. Rl-R8 use the 1/4W or 1/8W carbon film resistors.
Reprinted Url Of This Article:
http://www.seekic.com/circuit_diagram/Electrical_Equipment_Circuit/Scale_cleaner.html
Print this Page | Comments | Reading(3)
Code: