Published:2009/7/21 22:45:00 Author:Jessie | From:SeekIC

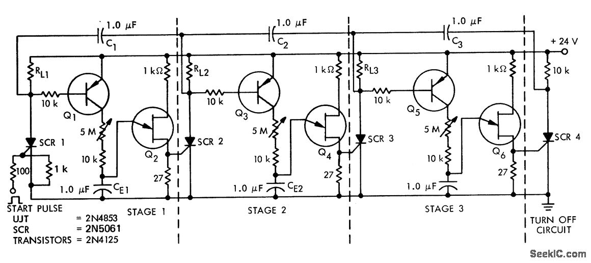
Sequential UJT-SCR timer circuit. This circuit is useful in washing machine circuits where different time cycles are required (courtesy Motorola Products Inc.).
Reprinted Url Of This Article:
http://www.seekic.com/circuit_diagram/Electrical_Equipment_Circuit/Sequential_UJT_SCR_timer_circuit.html
Print this Page | Comments | Reading(3)
Code: