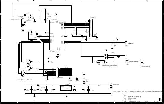
Published:2013/1/29 21:26:00 Author:muriel | Keyword: Solar Recorder | From:SeekIC

Reprinted Url Of This Article:
http://www.seekic.com/circuit_diagram/Electrical_Equipment_Circuit/Solar_Recorder.html
Print this Page | Comments | Reading(3)
Code: