Published:2011/3/27 21:55:00 Author:may | Keyword: Super-regenerative radio receiver | From:SeekIC

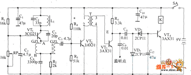
Super-regenerative radio receiver circuit is shown in the diagram:
Reprinted Url Of This Article:
http://www.seekic.com/circuit_diagram/Electrical_Equipment_Circuit/Super_regenerative_radio_receiver_circuit.html
Print this Page | Comments | Reading(3)
Code: