Published:2009/6/25 22:27:00 Author:May | From:SeekIC

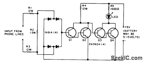
The LED flickers when the phone is ringing or being dialed. It glows steadily when the phone is off the hook.
Reprinted Url Of This Article:
http://www.seekic.com/circuit_diagram/Electrical_Equipment_Circuit/TELEPHONE_OFF_HOOk_INDICATOR.html
Print this Page | Comments | Reading(3)
Code: