Published:2009/6/22 23:01:00 Author:Jessie | From:SeekIC

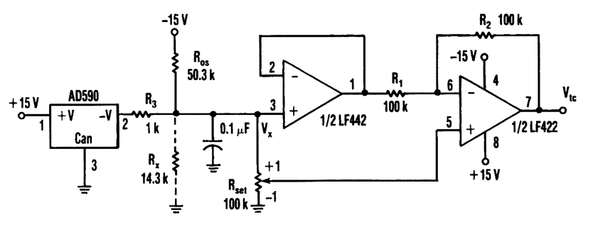
The circuit shown delivers +10 to -10 mV°/C output using an Analog Devices' AD590 temperature transducer. Rx is a scaling resistor.
Reprinted Url Of This Article:
http://www.seekic.com/circuit_diagram/Electrical_Equipment_Circuit/TEMPERATURE_COMPENSATION_ADJUSTER.html
Print this Page | Comments | Reading(3)
Code: