Published:2009/7/23 23:48:00 Author:Jessie | From:SeekIC

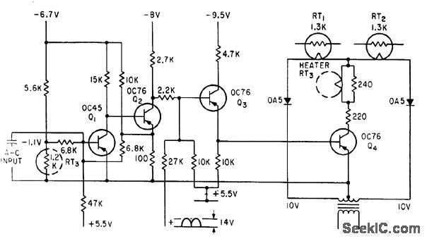
Thermistors RT1 and RT2 in series are heated equally under no signal. Applying ac signal increases resistance of one and lowers that of other, depending on phase. Q1 and Q2 form ac preamp. Q3 and Q4 operate in switched mode as demodulator. Circuit can be used in place of mechanical servo.-I. C. Hutcheon, Using Thermistors as Servo Elements, Electronics, 34:5, p 52-55.
Reprinted Url Of This Article:
http://www.seekic.com/circuit_diagram/Electrical_Equipment_Circuit/THERMISTOR_CONTROL.html
Print this Page | Comments | Reading(3)
Code: