Published:2009/6/22 23:02:00 Author:Jessie | From:SeekIC

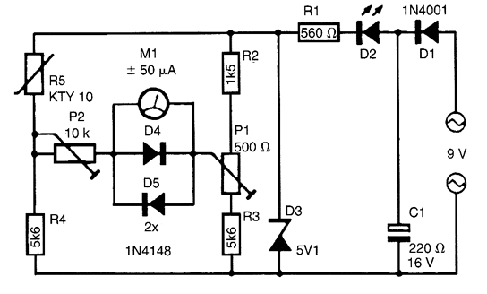
At the heart of this simple circuit is the well-known type KTY10 temperature sensor from Siemens. This silicon sensor is essentially a temp erature -dependent resistor that is connected as one arm in a bridge circuit here. Preset P1 functions to balance the bridge at 0℃. At that temperature, moving coil meter M1 should not deflect, i.e., the needle is in the center position. Temperature vari-ations cause the bridge to be unbalanced, and hence produce a proportional indication on the meter. Calibration at, say, 20℃ is carried out with the aid of P2.The bridge is fed from a stabilized 5.1-V supply, based on a temperature-compensated zener-diode. It is also possible to feed the thermometer from a 9-V battery, provided D1-D3, R1 and C1 are replaced with a Type 78L05 voltage regulator, because this is more economic as regards to current c onsumption.
Reprinted Url Of This Article:
http://www.seekic.com/circuit_diagram/Electrical_Equipment_Circuit/THERMOMETER_FOR_5_V_OPERATION.html
Print this Page | Comments | Reading(3)
Code: