Published:2009/7/23 23:31:00 Author:Jessie | From:SeekIC

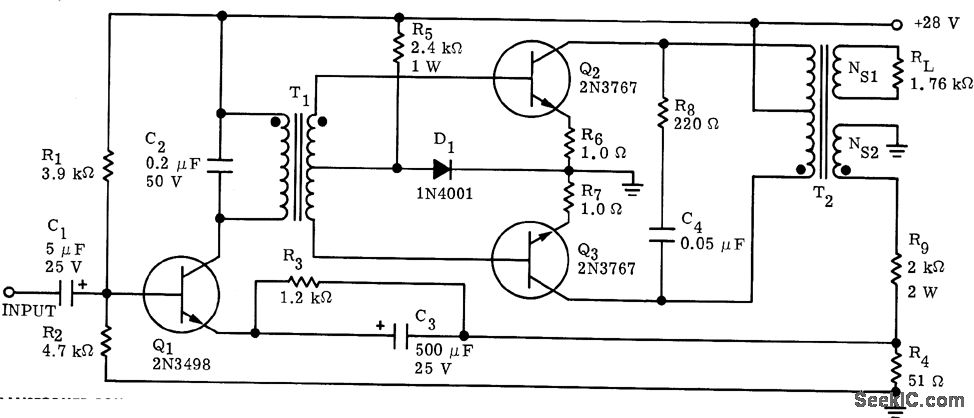
Three transistors provide stable voltage gain of 40 db and power gain of 37 db. Maximum output is 115 V rms into 1,760-ohm load, for 7.5 W.-N. Freyling, High Performance All Solid. State Servo Amplifiers, Motorola Application Note AN-225, Jan.1966.
Reprinted Url Of This Article:
http://www.seekic.com/circuit_diagram/Electrical_Equipment_Circuit/TRANSFORMER_COUPLED_SERVO_AMPLIFIER.html
Print this Page | Comments | Reading(3)
Code: