Published:2009/7/24 3:42:00 Author:Jessie | From:SeekIC

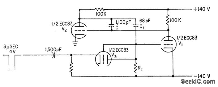
Active elements V1-V2 serve with isolation diode V3 to give action of single pentode with good sweep linearity.-A. S. Kislovsky, Sweep Circuits Using Two Three-Terminal Active Elements, Electronics, 35:12, p 54-55.
Reprinted Url Of This Article:
http://www.seekic.com/circuit_diagram/Electrical_Equipment_Circuit/TRIODE_PHANTASTRON_SWEEP.html
Print this Page | Comments | Reading(3)
Code: