Published:2009/6/25 21:53:00 Author:Jessie | From:SeekIC

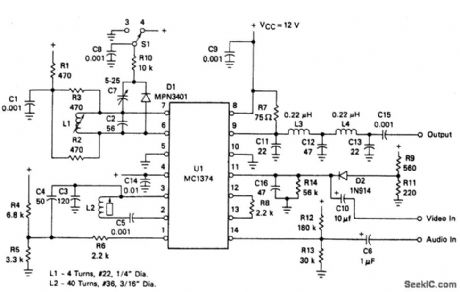
The FM oscillator/modulator is a voltage-controlled oscillator, which exhibits a nearly linear output frequency versus input voltage characteristic for a wide deviation. It provides a good FM source with a few inexpensive external parts. It has a frequency range of 1.4 to 14 MHz and can typically produce a ±25 kHz modulated 4.5 MHz signal with about 0.6% total harmonic distortion.
Reprinted Url Of This Article:
http://www.seekic.com/circuit_diagram/Electrical_Equipment_Circuit/TV_MODULATOR.html
Print this Page | Comments | Reading(3)
Code: