Published:2009/7/21 8:55:00 Author:Jessie | From:SeekIC

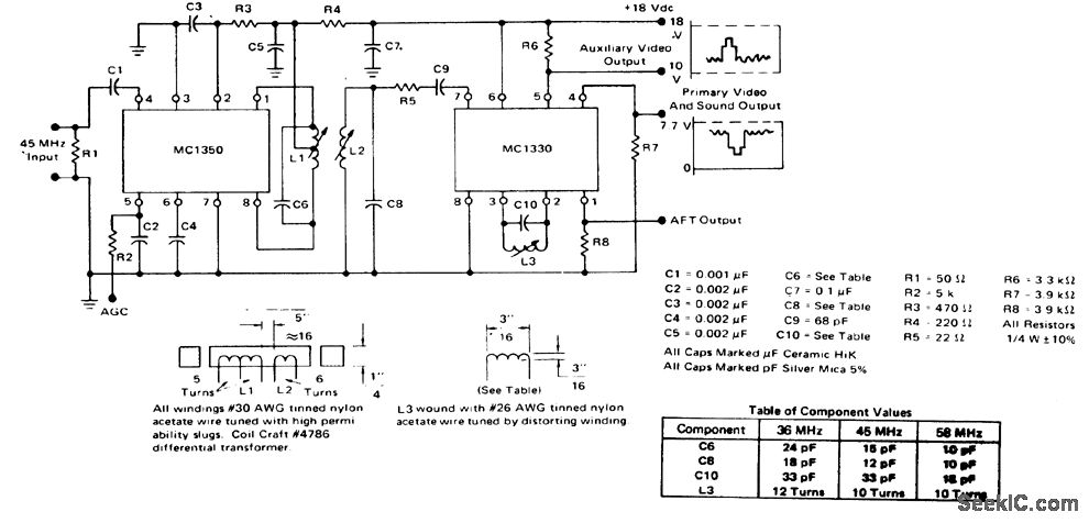
TV video IF amplifier with low-level detector (courtesy Motorola Semiconductor Products Inc.).
Reprinted Url Of This Article:
http://www.seekic.com/circuit_diagram/Electrical_Equipment_Circuit/TV_video_IF_amplifier_with_low_level_detector.html
Print this Page | Comments | Reading(3)
Code: