Published:2009/7/21 8:00:00 Author:Jessie | From:SeekIC

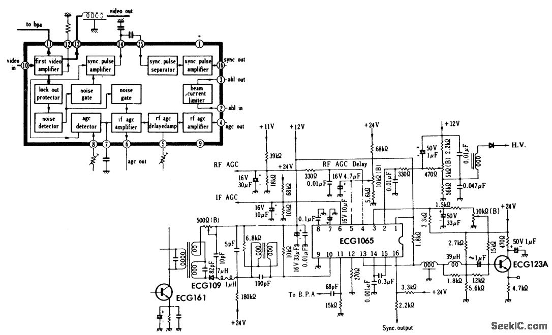
TV video signal processor circuit. The EGG 1065 is a 16-pin DIP (courtesy GTE Sylvania Incorporated).
Reprinted Url Of This Article:
http://www.seekic.com/circuit_diagram/Electrical_Equipment_Circuit/TV_video_signal_processor_circuit_2.html
Print this Page | Comments | Reading(3)
Code: