Published:2009/7/24 3:50:00 Author:Jessie | From:SeekIC

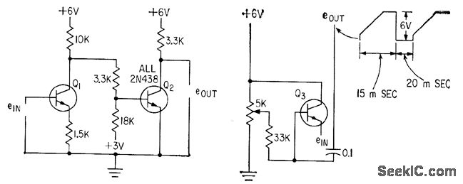
Q1 and Q2 simulate vacuum-tube phantastron sweep generator, Since input impedance is low, linearity con be improved by using emitter-follower Q3.-N. C. Hekimian, Phantastron Circuits Using Transistors, Electronics, 34:8, p 46-47.
Reprinted Url Of This Article:
http://www.seekic.com/circuit_diagram/Electrical_Equipment_Circuit/TWO_TRANSISTOR_PHANIASTRON.html
Print this Page | Comments | Reading(3)
Code: