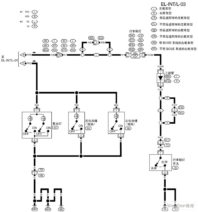
Published:2011/6/22 9:55:00 Author:Nancy | Keyword: Teana, indoor lamp | From:SeekIC

Reprinted Url Of This Article:
http://www.seekic.com/circuit_diagram/Electrical_Equipment_Circuit/Teana_A33_EL_indoor_lamp_3.html
Print this Page | Comments | Reading(3)
Code: