Published:2009/6/22 22:45:00 Author:May | From:SeekIC

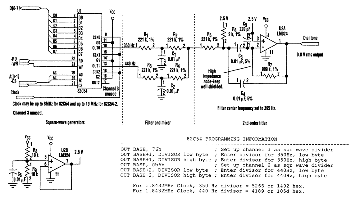
This circuit uses inexpensive, common components to generate a precise dial tone for phone applications (see the figure). U1 (an Intel 82C54 timer-counter) generates 350- and 440-Hz square waves that are filtered by R1/C1 and R3/C2, and mixed together by resistors R2 and R4.An operational amplifier configured as a 395-Hz, Sallen-Key, second-order bandpass filter (halfway between 350 and 440 Hz) removes unwanted signal harmonics. Almost any timer-counter can be used as the signal source, so long as it produces roughly square-wave outputs.
Reprinted Url Of This Article:
http://www.seekic.com/circuit_diagram/Electrical_Equipment_Circuit/Telephone-Related_Circuit/5_V_DIAL_TONE_CIRCUIT.html
Print this Page | Comments | Reading(3)
Code: