Published:2009/6/22 22:11:00 Author:May | From:SeekIC

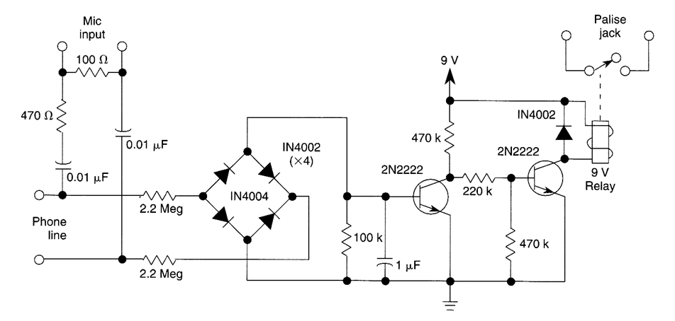
The dc voltage present on a telephone line is usually around 45 to 50 V on-hook and 6 V off-hook. This circuit uses this drop in voltage to activate a relay. The relay controls a cassette tape recorder. Audio is taken off through a network to the microphone input of the cassette.
Reprinted Url Of This Article:
http://www.seekic.com/circuit_diagram/Electrical_Equipment_Circuit/Telephone-Related_Circuit/AUTOMATIC_TELEPHONE_CALL_RECORDING_CIRCUIT.html
Print this Page | Comments | Reading(3)
Code: