Published:2009/7/14 6:08:00 Author:May | From:SeekIC

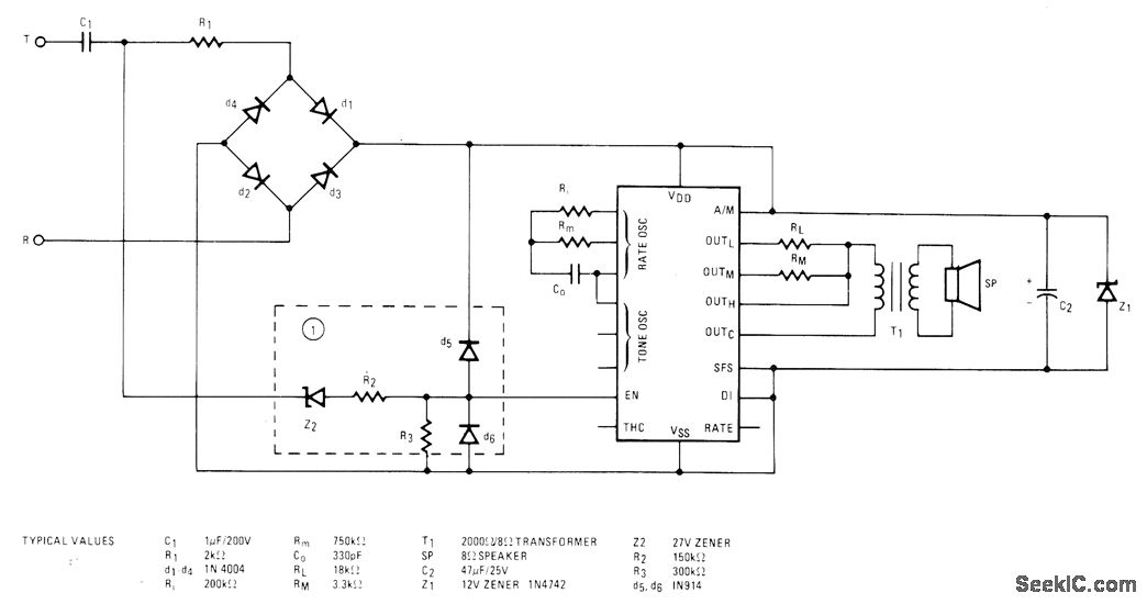
Uses AMI S2561 CMOS IC to simulate effects of telephone bell by producing tone signal that shifts between two predetermined frequencies at about 16 Hz. In applications where dial pulse rejection is not necessary, network inside dashed lines can be omitted and pins EN and D1 connected directly to VDD, which is typically 10V. Power is derived from telephone lines by diode-bridge supply. Values shown give tone frequencies of 512 and 640 Hz. Power output to 8-ohm loudspeaker is at least 50 mW, fed through 200:8 ohm trans-former.- Tone Ringer, American Microsystems, Santa Clara, CA, 1977, 52561, p 1.
Reprinted Url Of This Article:
http://www.seekic.com/circuit_diagram/Electrical_Equipment_Circuit/Telephone-Related_Circuit/BELL_SIMULATOR.html
Print this Page | Comments | Reading(3)
Code: