Published:2011/9/7 0:46:00 Author:Vicky | Keyword: Bipolar Telephone Circuit | From:SeekIC

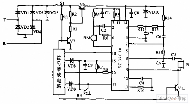
Bipolar Telephone circuit is shown in the above picture. The circuit is a typical applied circuit of bipolar telephone IC SC34014. The circuit is simple, and the lowest work voltage is 1.5V when the call isunder usage. 34014 has a stabilized output voltage of 1.2V (providing working voltage for electret microphone); it has a stabilized DC voltage of 3.3V and current output of 550μ, and the current increases to 2mA when dialing.
Reprinted Url Of This Article:
http://www.seekic.com/circuit_diagram/Electrical_Equipment_Circuit/Telephone-Related_Circuit/Bipolar_Telephone_Circuit_Diagram.html
Print this Page | Comments | Reading(3)
Code: