Published:2009/6/25 22:40:00 Author:May | From:SeekIC

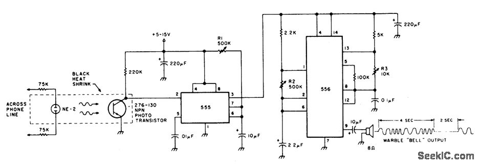
The speaker emits a distinctive warble tone when ring pulses are applied to the phone line. Use this circuit as a remote bell or discon-nect the phone's ringer for direct use. R1 ad-justs the duration of the output; R2 and R3 control the tone's duty cycle and frequency. The transistor is a general-purpose NPN photodevice. The neon bulb and transistor are coupled with the heat-shrink tubing to form an optoisolator.
Reprinted Url Of This Article:
http://www.seekic.com/circuit_diagram/Electrical_Equipment_Circuit/Telephone-Related_Circuit/ELECTRONIC_PHONE_BELL.html
Print this Page | Comments | Reading(3)
Code: