Published:2009/7/6 20:37:00 Author:May | From:SeekIC

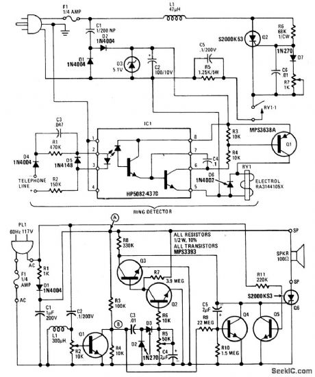
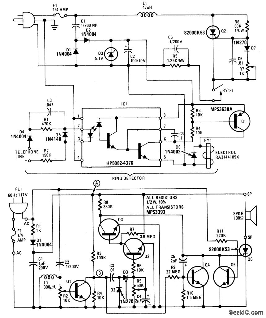
This device consists of a ring detector connected to the telephone line. When the telephone rings, the ring detector impresses high-frequency pulses on the ac power line.A receiver placed anywhere on the same power line detects these pulses and emits an audible tone in synchronization with the telephone signal.
Reprinted Url Of This Article:
http://www.seekic.com/circuit_diagram/Electrical_Equipment_Circuit/Telephone-Related_Circuit/PLUG_IN_REMOTE_TELEPHONE_RINGER.html
Print this Page | Comments | Reading(3)
Code: