Published:2009/6/22 22:29:00 Author:May | From:SeekIC


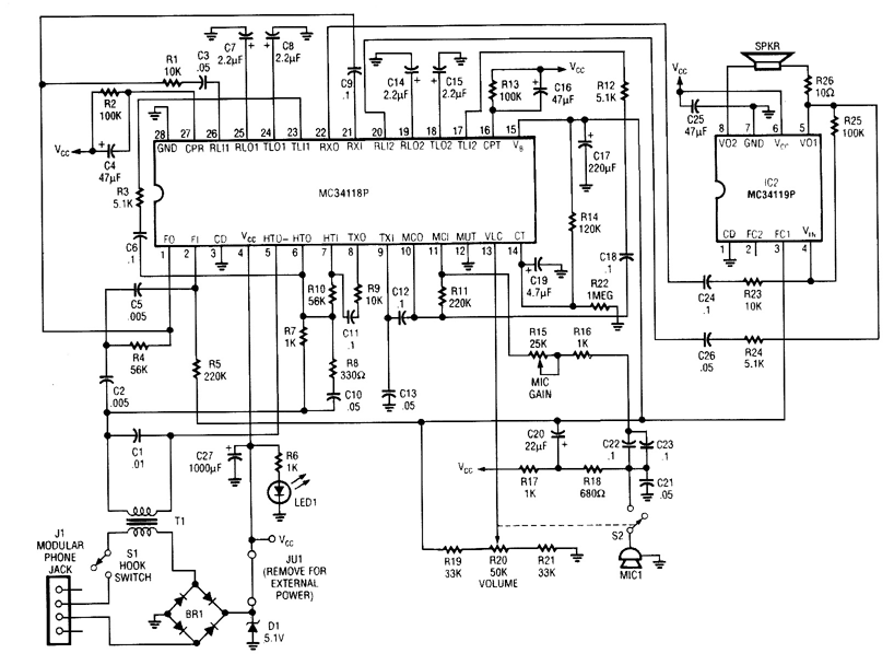
Using a Motorola MC34118 speakerphone IC, this adapter can be used with a regular telephone to provide speaker capability. This device is powered from the phone Iine, but it can be powered via an extemal power supply if the line loop current is marginally low. An external phone is needed for ringing and dialing functions.
Reprinted Url Of This Article:
http://www.seekic.com/circuit_diagram/Electrical_Equipment_Circuit/Telephone-Related_Circuit/SPEAKERPHONE_ADAPTER.html
Print this Page | Comments | Reading(3)
Code: