Published:2009/7/10 21:55:00 Author:May | From:SeekIC

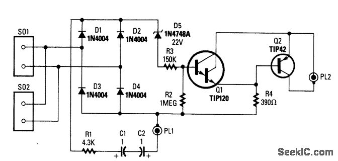
This circuit switches a tape recorder via PL2. When on-hook, D5 conducts, turns on Q1, and cuts off Q2. Ringing voltage will also cause D5 to conduct; C2 and C1 should be rated 150 V or higher. When phone is off-hook, the 10 V or so present on the line will not break down D5, and therefore Q1 is off and Q2 is biased on. PL2 connects to the remote control jack on the tape recorder. Audio is taken from PL1.Caution: Use either a battery tape recorder or an FCC/CSA/UL-approved ac adapter-powered tape recorder. This precaution is to avoid inadvertent 120 Vac on the telephone line.
Reprinted Url Of This Article:
http://www.seekic.com/circuit_diagram/Electrical_Equipment_Circuit/Telephone-Related_Circuit/TELEMONITOR_FOR_RECORDING_PHONE_CALLS.html
Print this Page | Comments | Reading(3)
Code: