Published:2009/7/10 22:42:00 Author:May | From:SeekIC

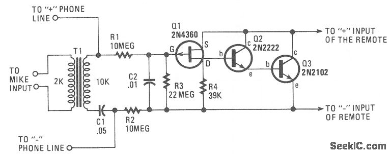
The circuit requires neither a battery nor an ac supply to make it work. Set the recorder to the record position and when the telephone is taken off the hook, the recorder starts to record everything. When the phone is on the hook, the voltage across the phone lines is about 48 Vdc. When it is taken off the hook, the line voltage drops below 10 V. When the line voltage is near 48 V, the FET is biased off and no current can flow through Q2 and Q3. When the receiver is off the hook, the voltage drops, and allows Q1 to conduct. This action turns on Q2, Q3, and the cassette recorder.
Reprinted Url Of This Article:
http://www.seekic.com/circuit_diagram/Electrical_Equipment_Circuit/Telephone-Related_Circuit/TELEPHONE_AUTO_RECORD.html
Print this Page | Comments | Reading(3)
Code: