Published:2009/6/25 22:35:00 Author:May | From:SeekIC



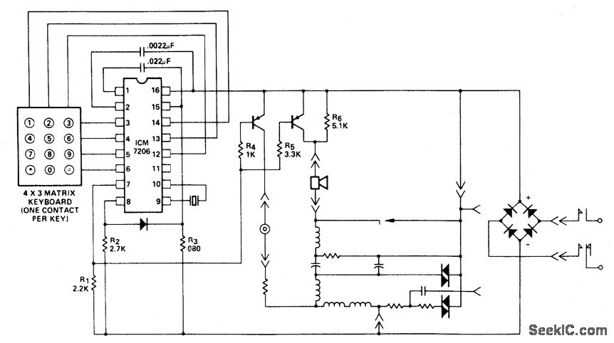
This encoder uses a single contact per key keyboard and provides all other switching func-tion electronically. The diode between termi-nals 8 and 15 prevents the output going more than 1 volt negative tive supply V-. The supply voltage range with respect to the nega-circuit operates over the from 3.5 volts to 15 volts.
Reprinted Url Of This Article:
http://www.seekic.com/circuit_diagram/Electrical_Equipment_Circuit/Telephone-Related_Circuit/TELEPHONE_HANDSET_TONE_DIAL_ENCODER.html
Print this Page | Comments | Reading(3)
Code: