Published:2009/6/22 22:17:00 Author:May | From:SeekIC

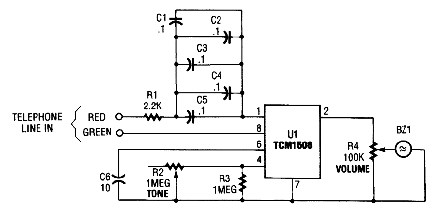
The circuit is based on the TCM1506 ring detector/driver integrated circuit. It is a monolithic IC specifically designed to replace the telephone's mechanical bell. The chip is powered and activated by the telephone-line ring, which can vary from 40 to 150 V rms at a frequency of from 15 to 68 Hz. No other source of power is required. Again, referring to the figure shown, C1 through C5 are placed in parallel to form a 0.5-μF capacitor that conducts the ac ring voltage to pin 1 of the TCM1506, but blocks any dc component. Of course, those capacitors can be replaced by a single 0.47- to 0.5-μF capacitor provided that it has at least a 400-WVdc rating. Resistor R1 is in series with the capacitor network and is used to dissipate power from any high-voltage transient that might appear across the line. The diluted ac voltage that reaches pin 1 on U1 powers the chip.Capacitor C6 is used to prevent bell tapping. That is an annoying ringing of the bell that occurs when a phone on the same line is used to dial an outgoing call. The capacitor prevents the short dial pulses from triggering the ring detector, but still allows the much longer ring signal to activate it.Potentiometer R2 is used to vary the tone of the ring signal from below 100 Hz to over 15 kHz. Potentiorneter R4 is the volume control; adjusting that potentiometer to its lowest resistance will mute the piezo element (BZl). When a ring signal is present on the phone-line, it powers U1. The IC then generates a tone (with a frequency that is determined by R2 and an amplitude set by R4) that is reproduced by BZ1.
Reprinted Url Of This Article:
http://www.seekic.com/circuit_diagram/Electrical_Equipment_Circuit/Telephone-Related_Circuit/TELEPHONE_RING_CONVERTER.html
Print this Page | Comments | Reading(3)
Code: