Published:2011/8/9 18:31:00 Author:Vicky | Keyword: Telephone on-hook warning circuit | From:SeekIC

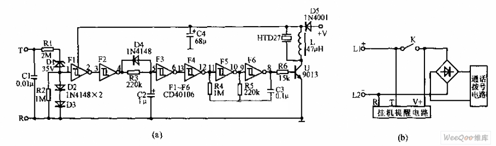
Telephone on-hook warning circuit diagram is shown in the above picture. The IC uses CMOS Shmidt hex inverter CD40106. C1 is better to use ceramic capacitance which can withstand voltage of over 100V, and L is better to choose small color-code inductor. There are no special requirements for the rest component. When the telephone is on-hook, there are several tens of volt-ampere in ends T and R. A short period of sound indicating on-hook is given out via HTD. It is shown in the picture (a). Because the sound only uses the memory function of C4, C4 can only be re-charged when the telephone is off-hook next time after the sound is given out. And the warning sound can be given out when the telephone is on-hook next time. The assembling diagram is shown in the picture (b).
Reprinted Url Of This Article:
http://www.seekic.com/circuit_diagram/Electrical_Equipment_Circuit/Telephone-Related_Circuit/Telephone_on_hook_warning_circuit_diagram.html
Print this Page | Comments | Reading(3)
Code: