Published:2011/6/18 2:06:00 Author:Seven | Keyword: charging telephone | From:SeekIC

Reprinted Url Of This Article:
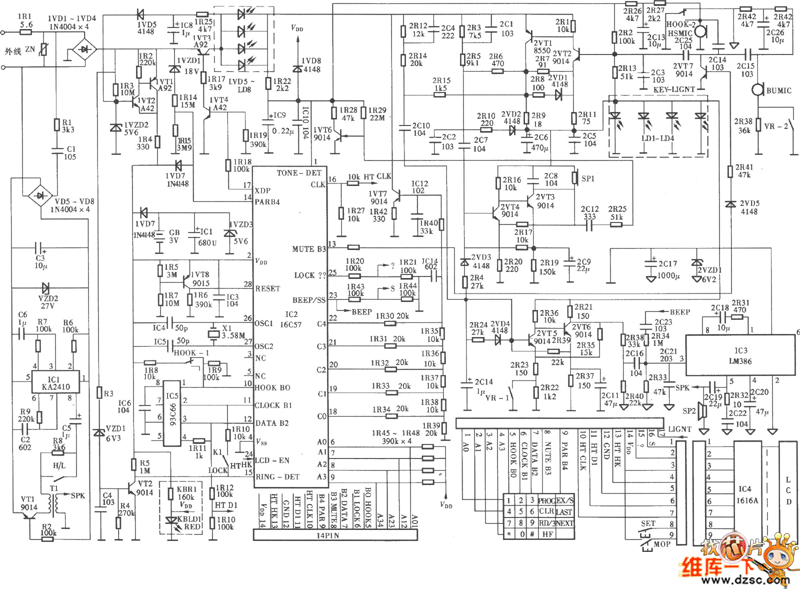
http://www.seekic.com/circuit_diagram/Electrical_Equipment_Circuit/The_HA738_computer_charging_telephone_circuit.html
Print this Page | Comments | Reading(3)
Code: