Published:2011/8/23 22:13:00 Author:Borg | Keyword: domestic, electro medical apparatus | From:SeekIC

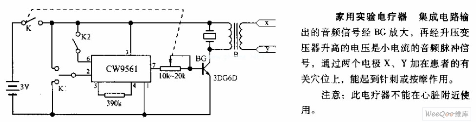
The domestic experiment electro medical apparatus circuit The audio signal output by the integrated circuit is amplified by BG, and the voltage boosted by the transformer is the audio pulse signal of the small current, by putting the two electrodes of X and Y on the acupuncture points of the patients, the machine can fulfill the function of puncturing or massage.Notes: the electro medical apparatus can't be used near the heart.
Reprinted Url Of This Article:
http://www.seekic.com/circuit_diagram/Electrical_Equipment_Circuit/The_domestic_experiment_electro_medical_apparatus_circuit.html
Print this Page | Comments | Reading(3)
Code: