Published:2011/5/19 20:52:00 Author:Borg | Keyword: warning indicator, VOLCANE | From:SeekIC

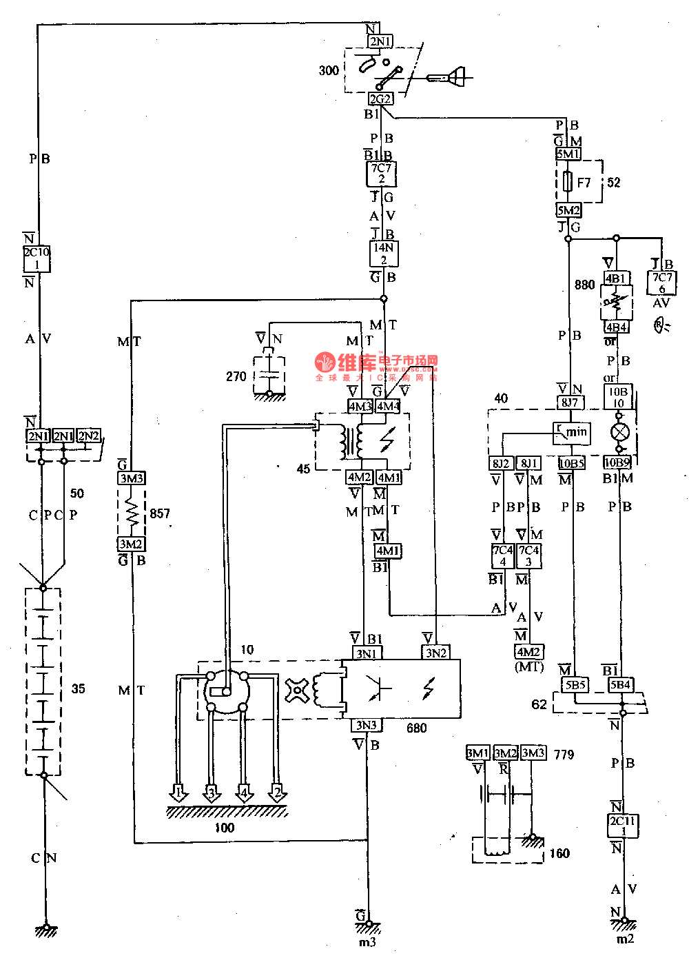
The instrument board of VOLCANE is divided into water thermometer(j) (with alarm lamp), engine rotating meter(k), oil pressure meter(P), fuel meter(i), speedometer(c) (with a big and small one), clock(L) and engine oil meter(O). Under the instrument board, there is a line of alarm lamps and indicators(with recognition figures), they are listed in the following.Left and right indicator(g,h) charging indicator(b) width/tail lamps(d) choke indicator(r)Low beam light(e) engine oil level indicator(m)
Reprinted Url Of This Article:
http://www.seekic.com/circuit_diagram/Electrical_Equipment_Circuit/The_instrument_and_warning_indicator_circuit_of_VOLCANE.html
Print this Page | Comments | Reading(3)
Code: