Published:2011/5/8 7:36:00 Author:Rebekka | Keyword: analog timer | From:SeekIC

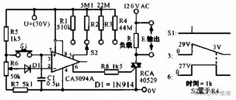
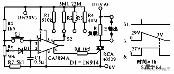
The predetermined analog timer circuit diagram is shown as below. It uses programmable power switch CA3094 to constitute the predetermined analog timer. The circuit gives four kinds of delay selection. It uses potentiometer R6 to set the initial time. When S2 connects to R4, click S1, the triac can work for 1 hour.
Reprinted Url Of This Article:
http://www.seekic.com/circuit_diagram/Electrical_Equipment_Circuit/The_predetermined_analog_timer_circuit_diagram.html
Print this Page | Comments | Reading(3)
Code: