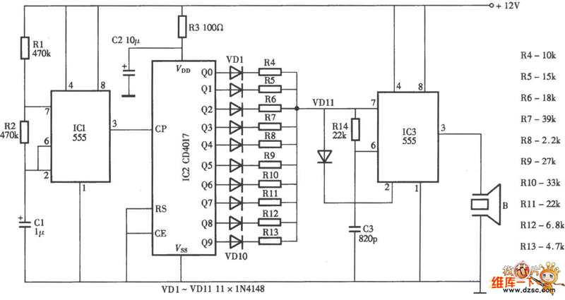
Published:2011/10/18 3:48:00 Author:Ecco | Keyword: Ultrasonic pest repeller | From:SeekIC

Reprinted Url Of This Article:
http://www.seekic.com/circuit_diagram/Electrical_Equipment_Circuit/The_principle_diagram_of_ultrasonic_pest_repeller.html
Print this Page | Comments | Reading(3)
Code: