Published:2011/4/2 4:32:00 Author:may | Keyword: air control, ventilator | From:SeekIC

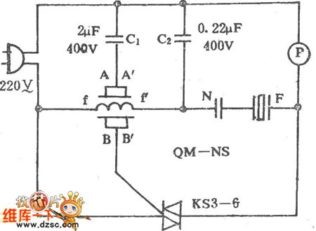
The simple air control circuit of ventilator is shown in the following diagram:
Reprinted Url Of This Article:
http://www.seekic.com/circuit_diagram/Electrical_Equipment_Circuit/The_simple_air_control_circuit_of_ventilator.html
Print this Page | Comments | Reading(3)
Code: