Published:2011/8/3 2:34:00 Author:Ecco | Keyword: sound circuit , electronic lark | From:SeekIC

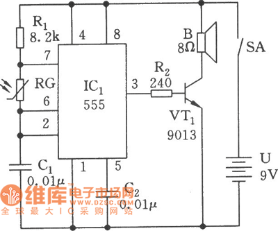
The electronic bird circuit can emit fluctuated and different birds sound in different light, especially in the changing neon light irradiation, and its sound is constantly changing. The circuit is shown as the chart.
Reprinted Url Of This Article:
http://www.seekic.com/circuit_diagram/Electrical_Equipment_Circuit/The_sound_circuit_diagram_of_electronic_lark.html
Print this Page | Comments | Reading(3)
Code: