Published:2011/6/23 6:51:00 Author:qqtang | Keyword: timer circuit | From:SeekIC

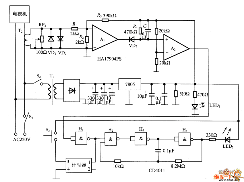
In the circuit is the timer circuit used by TV sets. In the circuit, the current transformer T2 is used to test the current in the power wires while the TV is working, the output of T2 is added on the input terminal of op-amp A1. To prevent A1 from being broken by over input, VD1, VD2, R1 and R2 are used to share the voltage and fulfill the function of protection. R3 provides with a bias voltage which is higher than 7mV for A1, when there is a AC in T2, A1 is outputting a low LEV, the the current is a changing DC, as the time constants of A4 and C1 is large, so A2 is outputting a low LEV while there is a AC in T2.
Reprinted Url Of This Article:
http://www.seekic.com/circuit_diagram/Electrical_Equipment_Circuit/The_timer_circuit_used_by_TV_sets.html
Print this Page | Comments | Reading(3)
Code: