Published:2011/12/4 21:49:00 Author:May | Keyword: Two normal shock, converter | From:SeekIC

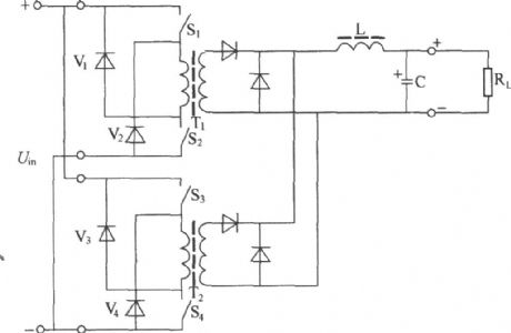
When it needs high output power, we always adopts two transistors forward converter circuit with superimposed voltage, and it isshown in the diagram. The features of the circuit:
(1)two normal shock converting circuits are connected inparallel, T1 and T2 are driven in 180opposite phase, then the power increases one time, and output frequency adds one time, ripples and dynamic responseare improving;
(2) S1, S2 are connected in series (S3, S4 are connected in series) , then the pressure-proof of switching tube is decreasd inhalve;
(3)The circuit cancels feedback coils, V1, V2, VpV4are energy recovery routes, it decreases the request of transformer’s manufacture craft.
(4)It hasthedead area limiting feature, two parts do nothave the problem of common circulation, its reliability is high.
Reprinted Url Of This Article:
http://www.seekic.com/circuit_diagram/Electrical_Equipment_Circuit/Two_normal_shock_converter_circuit_principle_diagram.html
Print this Page | Comments | Reading(3)
Code: