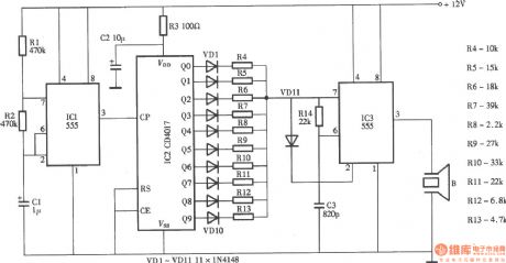
Published:2011/3/31 2:07:00 Author:Ecco | Keyword: Ultrasonic, pest repeller | From:SeekIC

Reprinted Url Of This Article:
http://www.seekic.com/circuit_diagram/Electrical_Equipment_Circuit/Ultrasonic_pest_repeller_circuit_diagram.html
Print this Page | Comments | Reading(3)
Code: